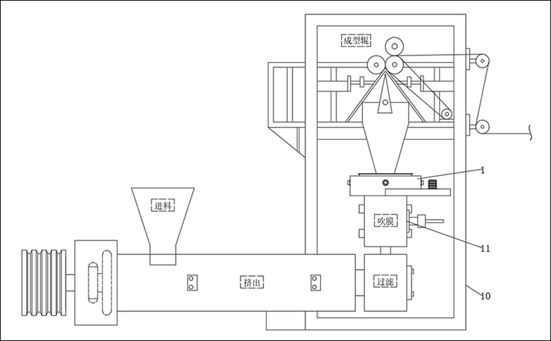
之前发过一篇:吹膜机原理详解及工艺流程图,简单的介绍了吹膜机的工作原理,现收集了网上的8张吹膜机工作原理图,大家可以收藏研究。








地址:江阴市祝塘镇金茂路26号
Q Q:1953104993
电话:0510-86335061
邮箱:yxmachinery@sina.cn
选购配置 1.自动吸料机 2.空压机 3.快速换网 4.旋转模头 5.双风口风环 6.双工位收卷 7.气涨轴 8.自动换卷 9.牵引升降 10.米克重 11.铸铝加热圈 12.电晕处理机 13.热封刀 14.废边机 15.宽度控制器 ...
机器特性 吹制各种规格的低密度聚乙烯、高密度聚乙烯和线性低密度聚乙烯塑料薄膜,广泛应用于食品百货、日用、化工、针纺品、购物礼袋和工业包装。机筒、螺杆采用38CrMOAI合金材料经氨化处理精密加工而成具有很好的耐磨和耐腐蚀性。 ...
机器特性 吹制各种规格的低密度聚乙烯、高密度聚乙烯和线性低密度聚乙烯塑料薄膜,广泛应用于食品百货、日用、化工、针纺品、购物礼袋和工业包装。机筒、螺杆采用38CrMOAI合金材料经氮化处理精密加工而成具有很好的耐磨和耐腐蚀性。 ...
机器特性 吹制各种规格的低密度聚乙烯、高密度聚乙烯和线性低密度聚乙烯塑料薄膜,广泛应用于食品百货、日用、化工 针纺品、购物礼袋和工业包装。机筒、螺杆采用38CrMOAI合金材料经氨化处理精密加工而成,具有很好的耐磨和耐腐蚀性。 选购配置 自动吸料机、表面处理、空气压缩机、冷风机、气涨轴。 ...